Szczegóły
Parametry
Znajdź podobne produkty
Marka
Symbol
Tibbit #59
Kod producenta
5900000823133
Form factor

M1S
Wymiary (w "kwadratach")
7x14
Długość produktu w milimetrach

35,3
Wysokość produktu w milimetrach

12,5
Liczba pinów

12
Napięcie

5V
Prąd
20mA
Kolor

Fioletowy
Tibbo Tibbit Block #59
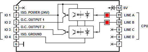
Tibbit Block #59 posiada dwa izolowane wyjścia 24 V PNP z otwartym kolektorem. Jego forma to M1S, o wymiarze 7x14 kwadratów (2,54 x 2,54 mm każdy).
Do sparowania z Tibbitami: #19, #20, #21




