Szczegóły
Parametry
Znajdź podobne produkty
Marka
Symbol
Tibbit #19
Kod producenta
5900000593159
Form factor

C2
Wymiary (w "kwadratach")
14x6
Długość produktu w milimetrach

15,8
Wysokość produktu w milimetrach

17,5
Liczba pinów

11
Kolor

Pomarańczowy
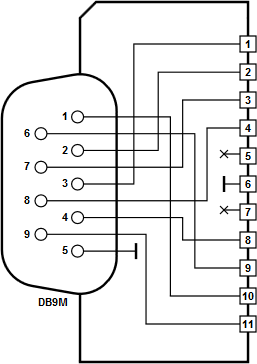
Tibbo Tibbit Block #19
Tibbit Block #19 posiada złącze DB9M. Jego forma to C2, o wymiarze 14x6 kwadratów (2,54 x 2,54 mm każdy).
Do sparowania z Tibbitami: #00_1, #00_2, #00_3, #01, #02, #03_1, #03_2, #04_1, #04_2, #04_3, #04_4, #04_5, #04_6, #04_7, #04_8, #05, #06, #07, #08, #14, #16, #17, #31, #43_1, #43_2, #54, #57, #58









