Zaloguj się
Szczegóły
Parametry
Znajdź podobne produkty
Marka
Symbol
PH128128T041-LAA07
Kod producenta
5900000823409
Matryca

TFT
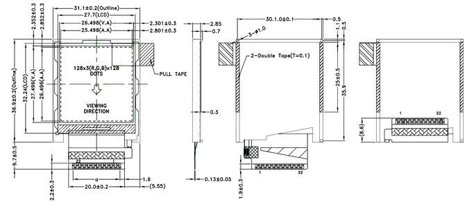
Przekątna ekranu (cal)

1.44
Standard rozdzielczości

QQVGA
Rozdzielczość (px)

128 x 128
Format obrazu
1:1
Typ panelu dotykowego

Brak
Jasność w cd/m2

310
Kontroler (IC)

Sitronix ST7735S
Interfejs wideo

Parallel 8080 8-bit
Kierunek widzenia
12H
Kąty widzenia
15/45/45/45
Temperatura pracy

-20...+70°C
Napięcie

2,7 - 3,3V
Powertip PH128128T041-LAA07
Wyświetlacz TFT marki Powertip o rozdzielczości 128 x 128 QQVGA, przekątnej 1,44", z interfejsem 80-8 bit. Zakres temperatury pracy -20...+70°C.
Zdjęcie poglądowe. Aby zobaczyć produkt, sprawdź rysunek umieszczony w galerii, bądź pobierz dokumentację.



