Details
Parametry
Find similar products
Brand
Symbol
Tibbit #59
Producer code
5900000823133
Form factor

M1S
Size (in "squares")
7x14
Product length in millimeters

35,3
Product height in millimetres

12.5
Number of pins

12
Voltage

5V
Electric current
20mA
Colour

Purple
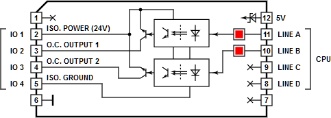
Tibbo Tibbit Block #59
Tibbit Block #59 has two 24V PNP isolated open collector outputs. It's form factor is M1S, 7x14 squares (2.54 x 2.54 mm each).
Mates with Tibbits: #19, #20, #21



